Каталог
Каталог Написать в WhatsApp
Мотоэкипировка

Передняя подвеска КВАДРОЦИКЛА AODES (ODES) 1000 ATV-L

Передняя подвеска КВАДРОЦИКЛА AODES (ODES) 1000 ATV-L в Орле: актуальный каталог, цены, фото, описание. Купите передняя подвеска квадроцикла aodes (odes) 1000 atv-l в кредит – оформите заявку онлайн за 1 минуту!

Оригинальные запчасти

Артикул НАИМЕНОВАНИЕ Кол-во деталей в узле Примечание Наличие Цена Аналоги Фото
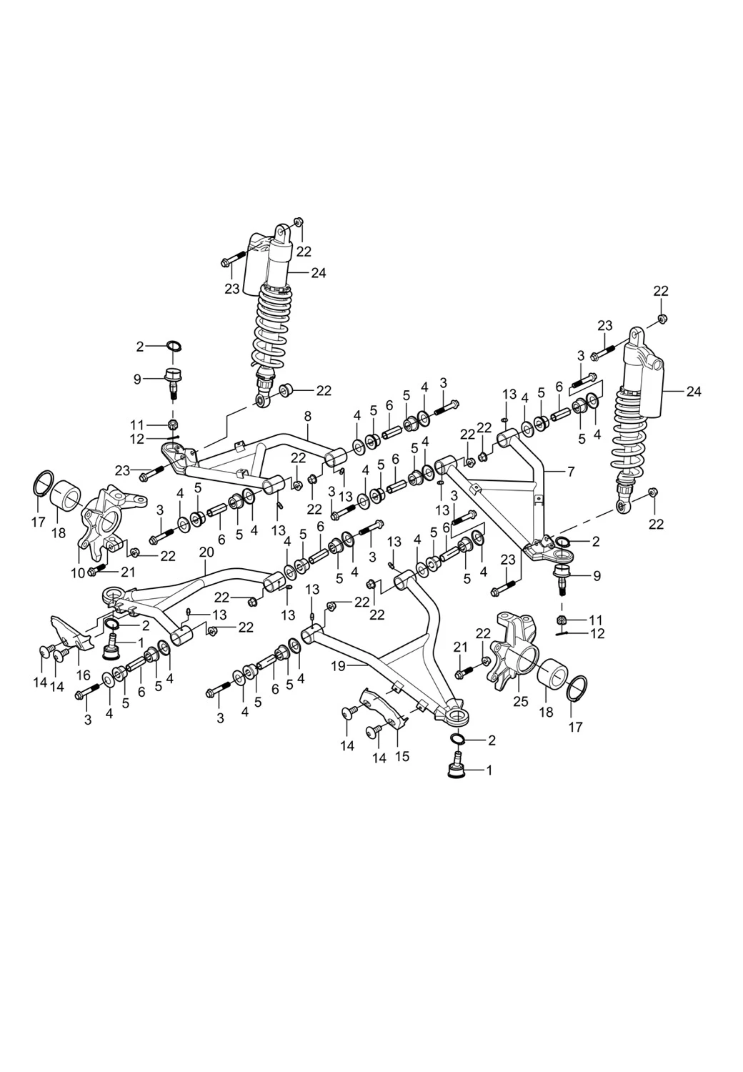
1 13601190021 Опора шаровая нижняя ATV AODES PATHCROSS 650-1000 сс

В наличии

2

В наличии

3 100

4 560

Купить
2 7031340004 Кольцо стопорное AODES (ODES)

Под заказ

4

Под заказ

уточнить

Купить
3 1256100756 Болт с шестигранной головкой с фланцем М10*75 AODES (ODES)

Под заказ

8

Под заказ

уточнить

Купить
4 13601070030 Пыльник рычага подвески ATV AODES PATHCROSS 650-1000

Под заказ

16

Под заказ

уточнить

580

Купить
5 10401070020 Втулка рычага подвески, нейлоновая ATV AODES PATHCROSS 650-1000

Под заказ

16

Под заказ

уточнить

700

Купить
6 13601070010 Втулка рычага подвески, стальная ATV AODES PATHCROSS 650-1000

Под заказ

8

Под заказ

уточнить

850

Купить
7 17001060010 Рычаг передней подвески, левый верхний AODES

Под заказ

1

Под заказ

уточнить

6 690

Купить
8 17001070080 Рычаг передней подвески, правый верхний ATV AODES PATHCROSS 650-1000

Под заказ

1

Под заказ

уточнить

9 940

Купить
9 10401190000 Опора шаровая верхняя ATV AODES PATHCROSS 650-1000 сс

Под заказ

2

Под заказ

уточнить

Купить
10 17005220030 Кулак поворотный правый AODES (ODES)

Под заказ

1

Под заказ

уточнить

Купить
11 4724120026 Гайка корончатая М12 AODES (ODES)

Под заказ

2

Под заказ

уточнить

Купить
12 5011250255 Шплинт Ф2,5*25 AODES (ODES)

Под заказ

2

Под заказ

уточнить

Купить
13 10901070090 Тавотница AODES (ODES)

Под заказ

8

Под заказ

уточнить

Купить
14 3414060124 Винт с полукруглой головкой (* TX30) М6*12 AODES (ODES)

Под заказ

4

Под заказ

уточнить

Купить
15 17001220100 Защита внешней гранаты привода левая, передняя AODES (ODES)

Под заказ

1

Под заказ

уточнить

Купить
16 17001230100 Защита внешней гранаты привода правая, передняя AODES (ODES)

Под заказ

1

Под заказ

уточнить

Купить
17 7011630004 Кольцо стопорное внутреннее Ф63 AODES (ODES)

Под заказ

2

Под заказ

уточнить

Купить
18 9560306342 Подшипник ступицы колеса DAC306342 AODES (ODES)

Под заказ

2

Под заказ

уточнить

Купить
19 17001080020 Рычаг передней подвески, левый нижний AODES (ODES)

Под заказ

1

Под заказ

уточнить

11 000

Купить
20 17001090020 Рычаг передней подвески, правый нижний ATV AODES PATHCROSS 650-1000

Под заказ

1

Под заказ

уточнить

6 270

Купить
21 17001190070 Болт с шестигранной головкой с фланцем М10*40 AODES (ODES)

Под заказ

2

Под заказ

уточнить

Купить
22 4622100026 Гайка шестигранная, с фланцем, самостопор. М10 AODES (ODES)

Под заказ

14
Опция
Опция

Под заказ

уточнить

Купить
23 1256100556 Болт с шестигранной головкой с фланцем М10*55 AODES (ODES)

Под заказ

4

Под заказ

уточнить

Купить
24 17001010120 Амортизатор передней подвески (регулировка сжатия/отбоя) (17001010120) ATV AODES

В наличии

Опция
Опция

В наличии

25 000

Купить
25 17005210030 Кулак поворотный левый AODES (ODES)

Под заказ

1

Под заказ

уточнить

Купить

Нулевая цена не означает отсутствие товара. Оформите заказ, и менеджер сообщит вам цену и наличие товара, предварительно запросив их у поставщика

Главная Магазины
Корзина0
Профиль